糖心AV在线播放,糖心LOGO下载,糖心LVOG下载,糖心VLOG官方网站在线观看免费

    聯係電話:13852210796

    多年來為上萬家企業提升了產品價值

    10 years to upgrade the value of thousands of enterprises

    網站首頁  ◇  產品展示    ◇  定製拉力糖心LOGO下载 > 片材拉力糖心LOGO下载 > 玻璃拉力糖心LOGO下载

    玻璃拉力糖心LOGO下载

    產品型號:  ZB-810型

    產品報價:  0

    所  在  地:  揚州市江都區東方紅東路26號

    產品特點:  玻璃拉力糖心LOGO下载是針對有機玻璃、鋼化玻璃等材料力學特性而研發的一款專用設備。玻璃材料具有強度高、延展性差等特點,有些脆性玻璃在測試過程中需加裝防護網,以免發生傷人事故。

    (聯係糖心AV在线播放,請說明是在 江蘇糖心AV在线播放電子科技有限公司 上看到的信息,謝謝!)

    同類優質產品

    更多產品

    產品概述

      機台型號: ZB-810型 玻璃拉力糖心LOGO下载   一.玻璃拉力糖心LOGO下载概述
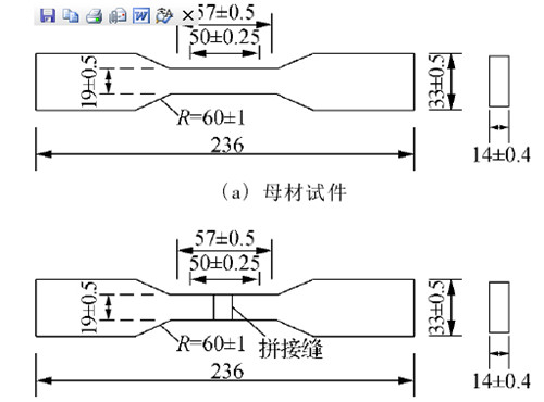
    玻璃拉力糖心LOGO下载是針對有機玻璃、鋼化玻璃等材料力學特性而研發的一款專用設備。玻璃材料具有強度高、延展性差等特點,有些脆性玻璃在測試過程中需加裝防護網,以免發生傷人事故。玻璃片材試樣製備應參照ASTM D638規範中規定的尺寸(見下圖),使用專用夾持器夾持,且試片兩端需墊PVC薄片,避免夾持器損傷片材而發生測試結果不準確的情況。
      二.玻璃拉力糖心LOGO下载性能
    A.采用高精度美國傳力力量傳感器,具有精度高,線性好等優點。
    B.動力係統采用鬆下伺服電機+鬆下伺服驅動器+滾珠絲杆+行星鋁製減速機+同步帶傳動,運行平穩,無噪音。
    C.數據傳輸方式為USB傳輸,方便快捷。
    D.測試軟件可實現定速度、定位移、定荷重、定荷重增率、定應力增率、定應變增率等控製模式,滿足不同的測試要求。
    E.安全設施專業化,具有過載自動保護停機、上下行程限位保護停機、 漏電自動斷電保護。
    F.雙報表編輯,內建EXCEL完全開放式報表,供測試者選擇自己喜好的報表格式。
    G.各長度、力量單位采用互換方式,力量單位T、Kg、N、KN、g、lb,變形單位mm、cm、inch。
    H.測試結束自動存檔、並根據試驗要求自動得出力量、屈服強度、抗拉強度、彈性模量、延伸率、彎曲模量等等數據。
    I.具有10多種語言切換功能。

    三.玻璃拉力糖心LOGO下载參數
    A. 傳感器量程:       20-50KN 區間選配
    B. 試驗力示值分辨率: 1/300000
    C. 試驗力示值誤差:   ±0.5%
    D. 引伸計示值誤差:   ±0.5%(選配)
    E. 位移速率範圍:     0.001-500mm/min
    F. 試驗空間:         900mm(含夾持器)
    G. 測試寬度:         400mm
    H. 專用電腦:         清華同方品牌機/19寸液晶顯示器/專用軟件
    I. 電源:               220V /50HZ
    J. 功率:             1.0KW
    K. 機台尺寸:          約640×720×2000 mm長×寬×高。
    L. 機台重量:           約380Kg。
      四.玻璃拉力糖心LOGO下载片材試樣尺寸
    玻璃拉伸試樣尺寸

    玻璃拉力糖心LOGO下载

    微信掃一掃
    關注糖心AV在线播放的官方微信

    江蘇糖心AV在线播放電子科技有限公司 All Copyright 2017 GoogleSitemap 備案號:蘇ICP備17062088號-3
    主營產品:拉力糖心LOGO下载_萬能糖心LOGO下载_衝擊糖心LOGO下载_老化試驗箱_簡支梁衝擊糖心LOGO下载_熔體流動速率儀_懸臂梁衝擊糖心LOGO下载_磨耗糖心LOGO下载_電子萬能糖心LOGO下载_電子拉力糖心LOGO下载
    網站地圖